• Water Treatment
  • SSIC
수위계
  • HC-10
  • KRG-10
  • MW-10

미약전파 페이더 레벨계 HC-10

미약 전파 레이더 레벨계 HC-10은 전파식과 압력식 측정 방식을 병용한 레벨계입니다.

평상시에는 전파로 수위를 측정하지만, 물이 불어나 레벨계가 침수될 경우 압력식으로 전환되어 계속해서 정확한 수위 계측을 할 수 있습니다.

맨홀의 침수대책이나 범람의 감시에 유용하게 사용하실 수 있습니다.

범람피해를 줄이기 위한새로운 제안

최근 많이 발생하고 있는 국지적 집중호우 등에 의해 맨홀 범람의 위험이 커지고 있어 맨홀 내 수위 감시가 요구되고 있습니다.

이러한 맨홀 내 수위 감시라는 새로운 요구에 부응하기 위해 개발한 것이 미약 전파 레이더 레벨계 HC-10 입니다.

전파식 레벨계와 압력식 레벨계의 장점을 융합하여 맨홀 내 수위를 확실하게 측정합니다.

범람피해의 경감을위한도쿄계기의 새로운제안입니다.

 

사양

HC-10
동작방식 마이크로파 펄스 레이 더 / 압력 센서 병용식
마이크로파출력 주파수 5.8GHz
출력전력 35μV/m 이하 @3m (미약 전파)
적용수로구경 200R 이상 (t400 이상)
측정정밀도 전파식 ±5mm (0.3 ~ 5m) / 士10mm (5 ~ 10m)
압력식 ±50mm
측정범위 18m (전파식 : 10m, 압력식 : 8m)
측정주기 1초
동작전원 2 선식 DC 16V ~ 36V
허용 부하 저항 360Q 이하 (24V 입력 시)
아날로그출력 분해능 0.4μA
알람출력 Hold/ Low (3.9mA) / Hig h (22mA)
온도의존성 士0.05%FS/1 OK 및 0.5%FS p-p 이하
디지털출력 통신방식 HART 모뎀을 이용한 통신
분해능 1mm
주위온도 -20°C ~+70°C (단, 압력 센서는 얼지 않을 것)
보호등급 IEC 60529 (JIS C0920) IP68(수중 1 Om / 24h)
질량 약 4.5k g
벽부착금구 재질 : SUS316 질량 : 약 1.5kg
천장부착금구 재질 : SUS316 질량 : 약 1kg
압력센서부착금구 재질 : SUS316L 질량 : 약 0.3kg

*옵션

비접촉식 레이더 레벨 게이지 KRG-10

1.±2mm의 높은 정확도

도쿄 케이키의 첨단 펄스 기술은 ±2mm의 정확도를 달성합니다.

2. 고급 에코 처리

"다중 에코 이력 검증"은 공정 작동 주 액체에서 발생하는 에코를 추적하여 연속성을 확인하고 원활한 측정을 보장합니다.

또한 "자동 노이즈 테이블기능"은 안정적이고 지속적인 측정을 가능하게 합니다.

원자로 탱크의 수위 측정 응용프로그램

3. 신속 추적

"전방위 탐색모드"는 탐지 속도를 향상시켜 최대 2m/sec의 레벨 변화를 추적합니다.

4. 유량 및 부피 계산

"확장 계산 모드"는 탱크용량뿐만 아니라 위어와 플룸 조합에 따른 개방 수로 유량도 출력합니다.

5. 다양한 용도에 맞는 폭넓은 제품 라인업

KRG-10은 다양한 안테나를 사용하여 부식성, 접착성 및 위생적인 환경에 설치할 수 있습니다.

표준형 콘, PTEE 밀봉재 및 PFA 로드 4인치에서 1인치까지의 탱크 노즐에 적용 가능합니다.

사양

일반 사양 빈도 26GHz
빔각도 8° (4inch Cone antenna & PTFE Sealing antenna)
12° (3inch PTFE Sealing antenna)
18° (2inch Cone antenna & PTFE Sealing antenna)
25° (1inch Rod antenna)
측정 최대 범위 30m
정확도 Cone & PTFE Sealing: ±2mm
Rod: ±3mm
반복성 ±1mm
간격 1s
추적률 2m / sec max.
Display 5 digits LCD / 4 keys-menu-driven
Level, Distance, Volume (Flow), Current, Signal strength selectable
전원 공급 신호 출력 전원 공급 장치 DC10.5V ~ 36V
신호 출력 4 ~ 20mA + HART
경보 Hold, 22mA or 3.6mA selectable
주변 온도 -40 ~ +70℃ (Non-Ex) / -40 ~ +60℃ (Ex)
기계적 사양 탱크 압력 1.5MPa
탱크 온도 -40 ~ +200℃
IP 등급 IP66/67
ATEX II 1 G Ex ia IIC T4 Ga
II 1 D Ex ia IIIC T135°C
II 1/2 G Ex ia/db IIC T4
IECEx Ex ia IIC T4
Ex ia IIIC T135°C
Ex ia/db IIC T4
KCs Ex ia/db IIC T4
기능 - 다중 에코 기록 검증
- 하단 에코 처리기
- 볼륨 계산
- 잡음 제거
- 이중 반사 처리
- 출력 예측
- 거리 필터 창
- 전체 범위 검색 모드
- 유량 계산 (Weir/Flume)

MW -10 /11

MW-10 시리즈는 주파수 77-81GH의 W밴드 주파수대역을 사용한 FMCW 방식 전파 레벨계입니다.
W밴드 주파수대역을 사용함으로써 좁은 조사각으로도 협소한 공간에서 안정적인 계측을 실시할 수 있습니다.
또한 하천, 댐, 용수로 등 개방공간에서도 안심하고 사용할 수 있습니다.

특징

최대 100m까지 측정 가능. 용도에 따라 10m/15m/30m 모델과 50m/100m 모델 2종류 라인업

측정 정도 ±2mm, 조사각 3°로 협소한 공간에 설치 가능

소형, 경량으로 간단히 설치 가능

소비 전력이 적고, 주기적으로 고속 기동이 가능하기 때문에 저용량 태양광 패널 시스템으로 구축 가능

고속 기동(5초)

한국 전파법 적합품으로 옥외 개방 공간에서 사용 가능

스마트폰과 Bluetooth® 연결을 통해 무선으로 설정·확인 가능

JIS 규격의 보 혹은 파샬 플룸, 사용자 설정 테이블에서 유량 연산 가능

※측정거리에 따라 달라집니다.

연결 예

MW-10/11은 아날로그 출력(DC4~20mA) 또는 디지털 출력(RS-485)이 가능합니다.

BCD 변환기(옵션)를 사용하여 BCD 출력도 가능합니다.

 

사양

모델명 MW-10 MW-11
-NN0-010-4L -NN0-015-4L -NN0-030-4L -NN0-050-8L -NN0-100-8L -NN0-010-4L -NN0-015-4L -NN0-030-4L -NN0-050-8L -NN0-100-8L
측정 방식 W밴드 FMCW 레이더 방식 (주파수 77~81GHz)
측정 범위 ※1 0.17~10m 0.17~15m 0.17~30m 1~50m 1~100m 0.17~10m 0.17~15m 0.17~30m 1~50m 1~100m
조사각 6° / 3° 6° / 3°
측정 정도 ※2 ±2mm / 10m 이상: 0.02%RD ±2mm / 10m 이상: 0.02%RD
측정 주기 1초 ※3
최소 기동시간 5초 ※4
트래킹 성능 최대 2.5m/s
기능 수위–유량 연산 (JIS B 8302, JIS K 0094, 파셜 플룸 JIS B 7553, 사용자 정의 테이블)
측정 대상 종류 액체
온도 0 ~ +50℃
출력 신호 유선통신 4-20mA RS485
무선통신 Bluetooth Low Energy
허용 부하저항 DC24V: 545Ω 이하 / DC36V: 1090Ω 이하
방폭구조 비방폭
서지 성능 대지간 4kV / 선간 2kV
작동온도 -20℃ ~ +60℃
습도 95% RH 이하 (결로 없음)
수송 보관 온도 -40℃ ~ +85℃
재질 본체 케이스 PBT-GF30
케이스 봉인 실리콘 고무 (VMQ)
안테나 PTFE
케이블 그랜드 Nylon 66
보호등급 IP66/67, IP68 (수심 10m/24hr)
케이블 그랜드 M20×P1.5 / 케이블 외경 Ø6.5~12.5mm
전원 전압 12~36VDC 10.5~36VDC
소비전류 3.6~22mA 5.0mA typ / 6.0mA max
질량 0.5kg 0.7kg 0.5kg 0.7kg
※1 기재된 측정거리는 레벨계에서 액면까지의 거리입니다.
※2 당사 환경에서의 정도입니다. 아날로그 출력의 정도는 아날로그 출력 오차가 가산됩니다.
※3 입력 전압 15VDC 이하의 경우, 측정 주기는 2초입니다.
※4 계측 거리나 액면 상황에 따라 기동 시간은 변동하는 경우가 있습니다

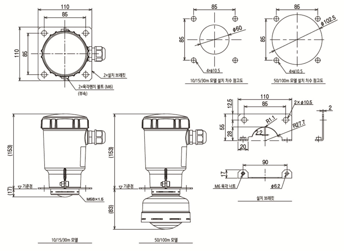
외형도

괴산사업장

충청북도 괴산군 청안면 조천로2길 34
T 043-904-3468
F 043-836-9653

사리사업장

충청북도 괴산군 사리면 농공단지길 54, 202호
T 043-760-7737
F 043-760-7747

부안사업장

전북 부안군 보안면 농공단지길 28
T 063-581-8384
F 063-581-8385

경기사업장

경기도 성남시 중원구 둔촌대로 388번길 24(상대원동) 1108호
T 031-720-5070
F 031-720-5069

고객지원

· FAQ
Copyright ⓒ 2022 by SSIC. All rights reserved.